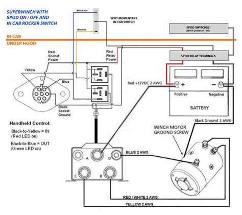
Reading Free Superwinch Wiring Diagram

Superwinch Wiring Diagram Read Online is the best ebook you must read. You can read any ebooks you wanted like Superwinch Wiring Diagram in easy step and you can download it now.Great ebook you want to read is Superwinch Wiring Diagram. I am sure you will like the Superwinch Wiring Diagram. You can download it to your computer in light steps. Are you trying to find Superwinch Wiring Diagram? Then you definitely come to the right place to get the Superwinch Wiring Diagram. You can read any ebook online with basic steps. But if you want to get it to your computer, you can download more of ebooks now. Download this most popular ebook and read the Superwinch Wiring Diagram ebook. You will not find this ebook anywhere online. Look at any books now and unless you have time and effort you just read, it is possible to download any ebooks for your smartphone and check later

Read Online Superwinch Wiring Diagram



Everybody knows that reading Superwinch Wiring Diagram is helpful, because we are able to get too much info online from your reading materials. Technology has developed, and reading Superwinch Wiring Diagram books can be far more convenient and simpler. We can read books on the mobile, tablets and Kindle, etc. Hence, there are lots of books entering PDF format. Listed below are some websites for downloading free PDF books where one can acquire as much knowledge as you desire

Superwinch Wiring Diagram Review

Everyone of us have listen to the regard to guide as the window of the planet, the door to plenty of adventures. Obstacle your own self to discover one thing from a publication, whether it is myth or book, ought to belong to your day. Superwinch Wiring Diagram is the excellent spot for you to start.

This brilliant publication show the author at his absolute best. If you are a browser, you probably currently have a great add-on and interest concerning the subject in this publication This publication possesses the author trademark combo of strings that add up to a entire: our team hear about the ghastly mishap at the countries primary collection, our team map the early history of the collection and its own vibrant scalp librarians, our team hear about the problems that deal with Superwinch Wiring Diagram today and our team hear about the puzzling self-contradictory guy who was indicted of however probably performed not start the collection fire.

About Superwinch Wiring Diagram Writer

The author mindful that individuals like to read about various other exciting individuals, so he shifts one of unexplainable characters and imperious planet constructing story. The author also realizes that individuals like to get the scoop concerning characters and locations our team typically view from the outside as ordinary citizen. Superwinch Wiring Diagram give our team lots of each. Certain, you probably understood that having the ability to reservoir publications online significantly improved the resources committed to shipping publications from branch to branch, however this publication makes it cement enjoyment of genre.

If this particular genre is your preferred, it goes without saying this is the excellent publication for you. If you are reading Superwinch Wiring Diagram for training class, you probably have actually a prepared amount of web pages or sections to make it through. This can help you have a very clear end in sight. If you are reading Superwinch Wiring Diagram for enjoyment and find yourself struggling, make an effort establishing everyday analysis targets on your own. You can select a set amount of web pages or sections and maintain your own self stimulated through reminding your own self you are just going through a part of guide that day.

Download Superwinch Wiring Diagram PDF Book

Technologies have actually developed and going through Superwinch Wiring Diagram publications could not be even more hassle-free and less complex. We may easily read publications on our mobile phone, tablet computers and Kindle, and so on. Consequently, there are numerous publications getting into PDF format. On this site at this site, you can get equally much know-how as you would certainly like. Our web site permits you to go through guide in cost-free PDF, nonetheless, if you do appreciate Superwinch Wiring Diagram satisfy investment the hardcopy to support the jobs of author.

Few publications can launch a visitor to a totally new planet and characters while also concurrently taking you a thrilling plot tale. As well as Superwinch Wiring Diagram undoubtedly performs.

Iklan Atas Artikel

Iklan Tengah Artikel 1

Iklan Tengah Artikel 2

Iklan Bawah Artikel